Externally geared slew rings are widely used in many medium to heavy load applications. This includes industrial, man lift, cranes, robots and welding positioners. Standard E-series slew rings are composed of an external ring with straight gear teeth, an internal ring, and a specific number of rolling elements in between. These can be driven through meshing with an appropriate Pinion.
Non-standard E-series slew rings are composed of an external ring with helical teeth instead of straight. These can be meshed with appropriate pinions but are widely used to mesh with worm gears as components of Slew Drives.

| Part Number | Outline Dimensions & Weight | Mounting Holes | Moment Rating | Gear Data | |||||||||||||
| Outer Ring | Inner Ring | ||||||||||||||||
| Do (in) | di (in) | Dr (in) | Di (in) | do (in) | dr (in) | G (lbs) | Lo (in) | no | Li (in) | ni | Mt (ft-lbs) | Tooth Form | D2 (in) | Pd | z2 | Fz(lbs) | |
| E.410.120.31I.1C | 19.9 | 11.97 | - | 16.22 | 16.14 | 14.49 | 72 | 18 | 8 | 13.13 | 12 | 22,700 | FS | 19.5 | 4 | 78 | 5,560 |
| E.540.120.31I.1C | 25.15 | 17.09 | - | 21.34 | 21.26 | 19.61 | 96 | 23.25 | 12 | 18.13 | 15 | 37,700 | FS | 24.75 | 4 | 99 | 5,650 |
| E.640.120.31I.1C | 29.15 | 21.03 | - | 25.28 | 25.2 | 23.55 | 115 | 27.25 | 15 | 22.13 | 18 | 49,800 | FS | 28.75 | 4 | 115 | 5,700 |
| E.740.120.31I.1C | 32.9 | 24.97 | - | 29.22 | 29.14 | 27.49 | 128 | 31 | 18 | 26.13 | 18 | 54,200 | FS | 32.5 | 4 | 130 | 5,740 |
| E.840.120.31I.1C | 37.2 | 28.9 | - | 33.15 | 33.07 | 31.42 | 152 | 35 | 18 | 30 | 18 | 56,500 | FS | 36.667 | 3 | 110 | 7,580 |
| E.940.120.31I.1C | 41.2 | 32.84 | - | 37.09 | 37.01 | 35.36 | 172 | 38.88 | 18 | 34 | 20 | 65,200 | FS | 40.667 | 3 | 122 | 7,620 |
| E.1090.120.31I.1C | 46.867 | 38.75 | - | 43 | 42.92 | 41.27 | 189 | 44.63 | 20 | 39.88 | 24 | 75,500 | FS | 46.333 | 3 | 139 | 7,680 |
| Tolerances | 0 | ±.040 | Ref. | Ref. | Ref. | 0.08 | |||||||||||
| -0.03 | 0 | ||||||||||||||||
| Part Number | Outline Dimensions & Weight | Mounting Holes | Moment Rating | Gear Data | |||||||||||||
| Outer Ring | Inner Ring | ||||||||||||||||
| Do (mm) | di (mm) | Dr (mm) | Di (mm) | do (mm) | dr (mm) | G (kg) | Lo (mm) | no | Li (mm) | ni | Mt (kN-m) | Tooth Form | D2 (mm) | Pd | z2 | Fz(kg) | |
| E.410.120.31M.1C | 505.46 | 304.04 | - | 411.99 | 409.96 | 368.05 | 32.65 | 457.20 | 8.00 | 333.50 | 12.00 | 30,781.20 | FS | 495.30 | 4.00 | 78.00 | 24,730.88 |
| E.540.120.31M.1C | 638.81 | 434.09 | - | 542.04 | 540.00 | 498.09 | 43.54 | 590.55 | 12.00 | 460.50 | 15.00 | 51,121.20 | FS | 628.65 | 4.00 | 99.00 | 25,131.20 |
| E.640.120.31M.1C | 740.41 | 534.16 | - | 642.11 | 640.08 | 598.17 | 52.15 | 692.15 | 15.00 | 562.10 | 18.00 | 67,528.80 | FS | 730.25 | 4.00 | 115.00 | 25,353.60 |
| E.740.120.31M.1C | 835.66 | 634.24 | - | 742.19 | 740.16 | 698.25 | 58.05 | 787.40 | 18.00 | 663.70 | 18.00 | 73,495.20 | FS | 825.50 | 4.00 | 130.00 | 25,531.52 |
| E.840.120.31M.1C | 944.88 | 734.06 | - | 842.01 | 839.98 | 798.07 | 68.93 | 889.00 | 18.00 | 762.00 | 18.00 | 76,614.00 | FS | 931.34 | 3.00 | 110.00 | 33,715.84 |
| E.940.120.31M.1C | 1,046.48 | 834.14 | - | 942.09 | 940.05 | 898.14 | 78.00 | 987.55 | 18.00 | 863.60 | 20.00 | 88,411.20 | FS | 1,032.94 | 3.00 | 122.00 | 33,893.76 |
| E.1090.120.31M.1C | 1,190.42 | 984.25 | - | 1,092.20 | 1,090.17 | 1,048.26 | 85.71 | 1,133.60 | 20.00 | 1,012.95 | 24.00 | 1,02,378.00 | FS | 1,176.86 | 3.00 | 139.00 | 34,160.64 |
| Tolerances | 0 | ±.040 | Ref. | Ref. | Ref. | 0.08 | |||||||||||
| -0.03 | 0 | ||||||||||||||||
*Drawing above reflects on all Medium – Heavy Duty Slew Rings
| Part Number | Outline Dimensions & Weight | Mounting Holes | Moment Rating | Gear Data | |||||||||||||
| Outer Ring | Inner Ring | ||||||||||||||||
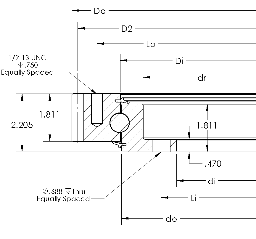
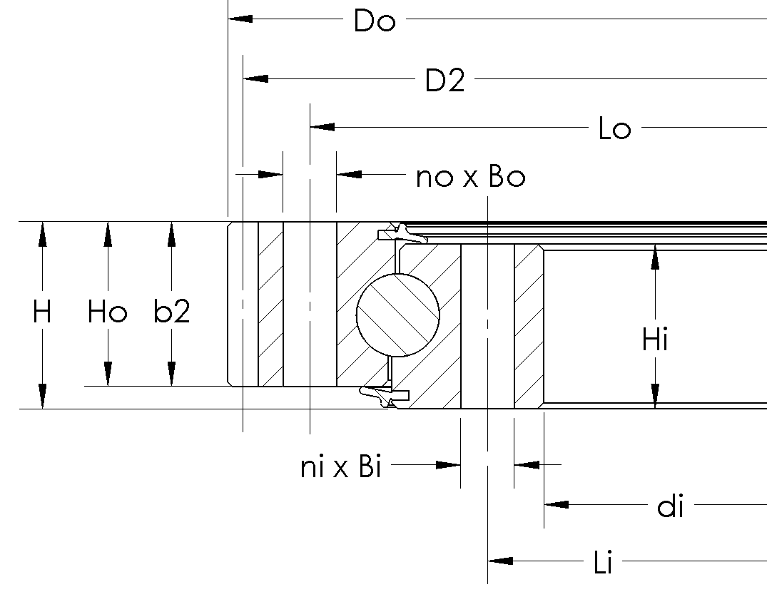
| Do (in) | di (in) | H (in) | Hi / Ho | G (lbs) | Lo (in) | No | Bo (in) | Li (in) | ni | Bi (in) | Mt (ft-lbs) | Tooth Form | D2 (in) | Pd | z2 | Fz(lbs) | |
| E.410.120.31I.1B | 20.4 | 12.85 | 2.2 | 1.8 | 92 | 19 | 8 | 0.688 | 14.88 | 16 | 1/2-13 UNC | 50,500 | FS | 13.25 | 4 | 53 | 6,084 |
| E.540.120.31I.1B | 25.5 | 17.6 | 2.2 | 1.8 | 117 | 24 | 12 | 0.688 | 19.63 | 20 | 1/2-13 UNC | 72,700 | FS | 18 | 4 | 72 | 5,842 |
| E.640.120.31I.1B | 29.5 | 21.6 | 2.2 | 1.8 | 148 | 28 | 15 | 0.688 | 23.63 | 24 | 1/2-13 UNC | 91,800 | FS | 22 | 4 | 88 | 5,719 |
| E.740.120.31I.1B | 33.4 | 25.6 | 2.2 | 1.8 | 171 | 32 | 15 | 0.688 | 27.63 | 28 | 1/2-13 UNC | 111,900 | FS | 26 | 4 | 104 | 5,634 |
| E.840.120.31I.1B | 37.4 | 29.13 | 2.2 | 1.8 | 205 | 35.75 | 18 | 0.688 | 31.5 | 30 | 1/2-13 UNC | 128,000 | FS | 29.667 | 3 | 89 | 7,617 |
| E.940.120.31I.1B | 41.25 | 33.133 | 2.2 | 1.8 | 226 | 39.75 | 18 | 0.688 | 35.5 | 32 | 1/2-13 UNC | 130,900 | FS | 33.667 | 3 | 101 | 7,531 |
| E.1090.120.31I.1B | 47.18 | 39.13 | 2.2 | 1.8 | 253 | 45.62 | 20 | 0.688 | 41.5 | 36 | 1/2-13 UNC | 139,900 | FS | 39.667 | 3 | 119 | 7,437 |
| Part Number | Outline Dimensions & Weight | Mounting Holes | Moment Rating | Gear Data | |||||||||||||
| Outer Ring | Inner Ring | ||||||||||||||||
| Do (mm) | di (mm) | H (mm) | Hi / Ho | G (kg) | Lo (mm) | No | Bo (mm) | Li (mm) | ni | Bi (mm) | Mt (kN-m) | Tooth Form | D2 (mm) | Pd | z2 | Fz(kg) | |
| E.410.120.31M.1B | 518.16 | 326.39 | 55.88 | 45.72 | 41.72 | 482.60 | 8.00 | 17.48 | 377.95 | 16.00 | M12 | 68,478.00 | FS | 336.55 | 4.00 | 53.00 | 27,061.63 |
| E.540.120.31M.1B | 647.70 | 447.04 | 55.88 | 45.72 | 53.06 | 609.60 | 12.00 | 17.48 | 498.60 | 20.00 | M12 | 98,581.20 | FS | 457.20 | 4.00 | 72.00 | 25,985.22 |
| E.640.120.31M.1B | 749.30 | 548.64 | 55.88 | 45.72 | 67.12 | 711.20 | 15.00 | 17.48 | 600.20 | 24.00 | M12 | 1,24,480.80 | FS | 558.80 | 4.00 | 88.00 | 25,438.11 |
| E.740.120.31M.1B | 848.36 | 650.24 | 55.88 | 45.72 | 77.55 | 812.80 | 15.00 | 17.48 | 701.80 | 28.00 | M12 | 1,51,736.40 | FS | 660.40 | 4.00 | 104.00 | 25,060.03 |
| E.840.120.31M.1B | 949.96 | 739.90 | 55.88 | 45.72 | 92.97 | 908.05 | 18.00 | 17.48 | 800.10 | 30.00 | M12 | 1,73,568.00 | FS | 753.54 | 3.00 | 89.00 | 33,880.42 |
| E.940.120.31M.1B | 1,047.75 | 841.58 | 55.88 | 45.72 | 102.49 | 1,009.65 | 18.00 | 17.48 | 901.70 | 32.00 | M12 | 1,77,500.40 | FS | 855.14 | 3.00 | 101.00 | 33,497.89 |
| E.1090.120.31M.1B | 1,198.37 | 993.90 | 55.88 | 45.72 | 114.74 | 1,158.75 | 20.00 | 17.48 | 1,054.10 | 36.00 | M12 | 1,89,704.40 | FS | 1,007.54 | 3.00 | 119.00 | 33,079.78 |
| Part Number | Outline Dimensions & Weight | Mounting Holes | Moment Rating | Gear Data | |||||||||||||
| Outer Ring | Inner Ring | ||||||||||||||||
| Do (in) | di (in) | H (in) | Hi / Ho | G (lbs) | Lo (in) | No | Bo (in) | Li (in) | ni | Bi (in) | Mt (ft-lbs) | Tooth Form | D2 (in) | Pd | z2 | Fz(lbs) | |
| E.220.122.11I.1B | 12.286 | 5.709 | 1.968 | 1.732 | 38 | 10.63 | 16 | 0.562 | 6.89 | 16 | 0.562 | 26,000 | FS | 12 | 5/7 | 60 | 7,140 |
| E.220.122.22I.1B | 12.286 | 5.709 | 1.968 | 1.732 | 38 | 10.63 | 16 | 5/8-11 UNC | 6.89 | 16 | 5/8-11 UNC | 26,000 | FS | 12 | 5/7 | 60 | 7,140 |
| E.220.122.11I.4B | 12.286 | 5.709 | 1.968 | 1.732 | 38 | 10.63 | 16 | 0.594 | 6.89 | 16 | 0.594 | 30,600 | FS | 12 | 5/7 | 60 | 7,140 |
| E.290.122.11I.1B | 14.686 | 8.268 | 1.575 | 1.496 | 38 | 13.19 | 16 | 0.562 | 9.449 | 20 | 0.562 | 44,500 | FS | 14.4 | 5/7 | 72 | 5,810 |
| E.290.122.22I.1B | 14.686 | 8.268 | 1.575 | 1.496 | 38 | 13.19 | 16 | 5/8-11 UNC | 9.449 | 20 | 5/8-11 UNC | 44,500 | FS | 14.4 | 5/7 | 72 | 5,810 |
| E.290.122.11I.4B | 14.686 | 8.268 | 1.968 | 1.732 | 44 | 13.19 | 16 | 0.594 | 9.449 | 20 | 0.594 | 52,100 | FS | 14.4 | 5/7 | 72 | 7,290 |
| E.342.122.11I.1B | 17.086 | 10.433 | 1.968 | 1.732 | 57 | 15.354 | 18 | 0.562 | 11.614 | 24 | 0.562 | 62,000 | FS | 16.8 | 5/7 | 84 | 7,330 |
| E.342.122.22I.1B | 17.086 | 10.433 | 1.968 | 1.732 | 57 | 15.354 | 18 | 5/8-11 UNC | 11.614 | 24 | 5/8-11 UNC | 62,000 | FS | 16.8 | 5/7 | 84 | 7,330 |
| E.342.122.11I.5B | 17.086 | 10.433 | 1.968 | 1.732 | 57 | 15.354 | 18 | 0.594 | 11.614 | 24 | 0.594 | 71,900 | FS | 16.8 | 5/7 | 84 | 7,330 |
| Part Number | Outline Dimensions & Weight | Mounting Holes | Moment Rating | Gear Data | |||||||||||||
| Outer Ring | Inner Ring | ||||||||||||||||
| Do (mm) | di (mm) | H (mm) | Hi / Ho | G (kg) | Lo (mm) | No | Bo (mm) | Li (mm) | ni | Bi (mm) | Mt (kN-m) | Tooth Form | D2 (mm) | Pd | z2 | Fz(kg) | |
| E.220.122.11M.1B | 312.06 | 145.01 | 49.99 | 43.99 | 17.23 | 270.00 | 16.00 | 14.27 | 175.01 | 16.00 | 14.27 | 35,256.00 | FS | 304.80 | 5/7 | 60.00 | 31,758.72 |
| E.220.122.22M.1B | 312.06 | 145.01 | 49.99 | 43.99 | 17.23 | 270.00 | 16.00 | M16 | 175.01 | 16.00 | M16 | 35,256.00 | FS | 304.80 | 5/7 | 60.00 | 31,758.72 |
| E.220.122.11M.4B | 312.06 | 145.01 | 49.99 | 43.99 | 17.23 | 270.00 | 16.00 | 15.09 | 175.01 | 16.00 | 15.09 | 41,493.60 | FS | 304.80 | 5/7 | 60.00 | 31,758.72 |
| E.290.122.11M.1B | 373.02 | 210.01 | 40.01 | 38.00 | 17.23 | 335.03 | 16.00 | 14.27 | 240.00 | 20.00 | 0.56 | 60,342.00 | FS | 365.76 | 5/7 | 72.00 | 25,842.88 |
| E.290.122.22M.1B | 373.02 | 210.01 | 40.01 | 38.00 | 17.23 | 335.03 | 16.00 | M16 | 240.00 | 20.00 | M16 | 60,342.00 | FS | 365.76 | 5/7 | 72.00 | 25,842.88 |
| E.290.122.11M.4B | 373.02 | 210.01 | 49.99 | 43.99 | 19.95 | 335.03 | 16.00 | 15.09 | 240.00 | 20.00 | 0.59 | 70,647.60 | FS | 365.76 | 5/7 | 72.00 | 32,425.92 |
| E.342.122.11M.1B | 433.98 | 265.00 | 49.99 | 43.99 | 25.85 | 389.99 | 18.00 | 14.27 | 295.00 | 24.00 | 0.56 | 84,072.00 | FS | 426.72 | 5/7 | 84.00 | 32,603.84 |
| E.342.122.22M.1B | 433.98 | 265.00 | 49.99 | 43.99 | 25.85 | 389.99 | 18.00 | M16 | 295.00 | 24.00 | M16 | 84,072.00 | FS | 426.72 | 5/7 | 84.00 | 32,603.84 |
| E.342.122.11M.5B | 433.98 | 265.00 | 49.99 | 43.99 | 25.85 | 389.99 | 18.00 | 15.09 | 295.00 | 24.00 | 0.59 | 97,496.40 | FS | 426.72 | 5/7 | 84.00 | 32,603.84 |
| Part Number | Outline Dimensions & Weight | Mounting Holes | Moment Rating | Gear Data | |||||||||||||
| Outer Ring | Inner Ring | ||||||||||||||||
| Do (in) | di (in) | H (in) | Hi / Ho | G (lbs) | Lo (in) | No | Bo (in) | Li (in) | ni | Bi (in) | Mt (ft-lbs) | Tooth Form | D2 (in) | Pd | z2 | Fz(lbs) | |
| E.423.125.33I.2B | 20.486 | 12.75 | 2.062 | 2.022 | 98 | 18.875 | 20 | 5/8-11 UNC | 14.375 | 20 | 5/8-11 UNC | 102,400 | FS | 20.2 | 5/7 | 101 | 8,700 |
| E.423.125.11I.4B | 20.486 | 12.77 | 2.375 | 2.063 | 99 | 18.875 | 20 | 0.688 | 14.375 | 20 | 0.688 | 102,400 | FS | 20.2 | 5/7 | 101 | 8,863 |
| E.505.125.11I.1B | 24.65 | 16.25 | 2.375 | 2.063 | 132 | 22.25 | 16 | 0.813 | 17.75 | 20 | 0.813 | 159,200 | SD | 24.25 | 4 | 97 | 10,420 |
| E.505.125.22I.1B | 24.65 | 16.25 | 2.375 | 2.063 | 132 | 22.25 | 16 | 3/4-10 UNC | 17.75 | 20 | 3/4-10 UNC | 159,200 | SD | 24.25 | 4 | 97 | 10,420 |
| E.564.125.11I.1B | 26.9 | 18.5 | 2.375 | 2.063 | 147 | 24.5 | 18 | 0.813 | 20 | 24 | 0.813 | 191,600 | SD | 26.5 | 4 | 106 | 10,460 |
| E.564.125.22I.1B | 26.9 | 18.5 | 2.375 | 2.063 | 147 | 24.5 | 18 | 3/4-10 UNC | 20 | 24 | 3/4-10 UNC | 191,600 | SD | 26.5 | 4 | 106 | 10,460 |
| E.633.125.11I.1B | 29.65 | 21.25 | 2.375 | 2.063 | 163 | 27.25 | 24 | 0.813 | 22.75 | 28 | 0.813 | 232,000 | SD | 29.25 | 4 | 117 | 10,520 |
| E.633.125.22I.1B | 29.65 | 21.25 | 2.375 | 2.063 | 163 | 27.25 | 24 | 3/4-10 UNC | 22.75 | 28 | 3/4-10 UNC | 232,000 | SD | 29.25 | 4 | 117 | 10,520 |
| Part Number | Outline Dimensions & Weight | Mounting Holes | Moment Rating | Gear Data | |||||||||||||
| Outer Ring | Inner Ring | ||||||||||||||||
| Do (mm) | di (mm) | H (mm) | Hi / Ho | G (kg) | Lo (mm) | No | Bo (mm) | Li (mm) | ni | Bi (mm) | Mt (kN-m) | Tooth Form | D2 (mm) | Pd | z2 | Fz(kg) | |
| E.423.125.33M.2B | 520.34 | 323.85 | 52.37 | 51.36 | 44.44 | 479.43 | 20.00 | M16 | 365.13 | 20.00 | M16 | 1,38,854.40 | FS | 513.08 | 5/7 | 101.00 | 38,697.60 |
| E.423.125.11M.4B | 520.34 | 324.36 | 60.33 | 52.40 | 44.90 | 479.43 | 20.00 | 17.48 | 365.13 | 20.00 | 17.48 | 1,38,854.40 | FS | 513.08 | 5/7 | 101.00 | 39,422.62 |
| E.505.125.11M.1B | 626.11 | 412.75 | 60.33 | 52.40 | 59.86 | 565.15 | 16.00 | 20.65 | 450.85 | 20.00 | 20.65 | 2,15,875.20 | SD | 615.95 | 4.00 | 97.00 | 46,348.16 |
| E.505.125.22M.1B | 626.11 | 412.75 | 60.33 | 52.40 | 59.86 | 565.15 | 16.00 | M20 | 450.85 | 20.00 | M20 | 2,15,875.20 | SD | 615.95 | 4.00 | 97.00 | 46,348.16 |
| E.564.125.11M.1B | 683.26 | 469.90 | 60.33 | 52.40 | 66.66 | 622.30 | 18.00 | 20.65 | 508.00 | 24.00 | 20.65 | 2,59,809.60 | SD | 673.10 | 4.00 | 106.00 | 46,526.08 |
| E.564.125.22M.1B | 683.26 | 469.90 | 60.33 | 52.40 | 66.66 | 622.30 | 18.00 | M20 | 508.00 | 24.00 | M20 | 2,59,809.60 | SD | 673.10 | 4.00 | 106.00 | 46,526.08 |
| E.633.125.11M.1B | 753.11 | 539.75 | 60.33 | 52.40 | 73.92 | 692.15 | 24.00 | 20.65 | 577.85 | 28.00 | 20.65 | 3,14,592.00 | SD | 742.95 | 4.00 | 117.00 | 46,792.96 |
| E.633.125.22M.1B | 753.11 | 539.75 | 60.33 | 52.40 | 73.92 | 692.15 | 24.00 | M20 | 577.85 | 28.00 | M20 | 3,14,592.00 | SD | 742.95 | 4.00 | 117.00 | 46,792.96 |
| Part Number | Outline Dimensions & Weight | Mounting Holes | Moment Rating | Gear Data | |||||||||||||
| Outer Ring | Inner Ring | ||||||||||||||||
| Do (in) | di (in) | H (in) | Hi / Ho | G (lbs) | Lo (in) | No | Bo (in) | Li (in) | ni | Bi (in) | Mt (ft-lbs) | Tooth Form | D2 (in) | Pd | z2 | Fz(lbs) | |
| E.700.132.11I.1B | 33.534 | 23.125 | 2.875 | 2.563 | 283 | 30.625 | 18 | 0.938 | 24.875 | 24 | 0.938 | 338,700 | SD | 33 | 3 | 99 | 17,290 |
| E.700.132.22I.1B | 33.534 | 23.125 | 2.875 | 2.563 | 283 | 30.625 | 18 | 7/8-9 UNC | 24.875 | 24 | 7/8-9 UNC | 338,700 | SD | 33 | 3 | 99 | 17,290 |
| E.763.132.31I.1B | 35.84 | 24 | 3.5 | 3 | 398 | 32.75 | 24 | 3/4-10 UNC | 26.75 | 30 | 0.813 | 340,000 | FS | 35.2 | 2.5 | 88 | 18,393 |
| E.820.132.11I.1B | 38.201 | 27.75 | 2.875 | 2.563 | 325 | 35.25 | 24 | 0.938 | 29.5 | 28 | 0.938 | 443,200 | SD | 37.667 | 3 | 113 | 17,390 |
| E.820.132.22I.1B | 38.201 | 27.75 | 2.875 | 2.563 | 325 | 35.25 | 24 | 7/8-9 UNC | 29.5 | 28 | 7/8-9 UNC | 443,200 | SD | 37.667 | 3 | 113 | 17,390 |
| E.915.132.31I.1B | 41.84 | 30 | 3.5 | 3 | 481 | 38.75 | 28 | 3/4-10 UNC | 32.75 | 32 | 0.813 | 395,700 | FS | 41.2 | 2.5 | 103 | 18,608 |
| E.1068.132.31I.1B | 47.84 | 36 | 3.5 | 3 | 562 | 44.75 | 32 | 3/4-10 UNC | 38.75 | 36 | 0.813 | 457,000 | FS | 47.2 | 2.5 | 118 | 18,772 |
| E.1220.132.31I.1B | 53.84 | 42 | 3.5 | 3 | 660 | 50.75 | 36 | 3/4-10 UNC | 44.75 | 40 | 0.813 | 517,900 | FS | 53.2 | 2.5 | 133 | 18,901 |
| E.1372.132.31I.1B | 59.84 | 48 | 3.5 | 3 | 742 | 56.75 | 40 | 3/4-10 UNC | 50.75 | 44 | 0.813 | 578,400 | FS | 59.2 | 2.5 | 148 | 19,005 |
| E.1525.132.31I.1B | 65.84 | 54 | 3.5 | 3 | 800 | 62.75 | 44 | 3/4-10 UNC | 56.75 | 48 | 0.813 | 638,800 | FS | 65.2 | 2.5 | 163 | 19,090 |
| E.875.138.11I.1D | 41.85 | 28.75 | 3.25 | 2.88 | 491 | 38 | 20 | 1.063 | 31 | 24 | 1.063 | 588,000 | SD | 41.2 | 2.5 | 103 | 21,290 |
| E.875.138.22I.1D | 41.85 | 28.75 | 3.25 | 2.88 | 491 | 38 | 20 | 1-8 | 31 | 24 | 1-8 | 588,000 | SD | 41.2 | 2.5 | 103 | 21,290 |
| E.1015.145.11I.1B | 47.444 | 34.25 | 4.25 | 3.875 | 771 | 43.875 | 24 | 1.188 | 36.25 | 28 | 1.188 | 873,800 | SD | 46.8 | 2.5 | 117 | 31,620 |
| E.1015.145.22I.1B | 47.444 | 34.25 | 4.25 | 3.875 | 771 | 43.875 | 24 | 1 1/8-7 UNC | 36.25 | 28 | 1 1/8-7 UNC | 873,800 | SD | 46.8 | 2.5 | 117 | 31,620 |
| Part Number | Outline Dimensions & Weight | Mounting Holes | Moment Rating | Gear Data | |||||||||||||
| Outer Ring | Inner Ring | ||||||||||||||||
| Do (mm) | di (mm) | H (mm) | Hi / Ho | G (kg) | Lo (mm) | No | Bo (mm) | Li (mm) | ni | Bi (mm) | Mt (kN-m) | Tooth Form | D2 (mm) | Pd | z2 | Fz(kg) | |
| E.700.132.11M.1B | 851.76 | 587.38 | 73.03 | 65.10 | 128.34 | 777.88 | 18.00 | 23.83 | 631.83 | 24.00 | 23.83 | 4,59,277.20 | SD | 838.20 | 3.00 | 99.00 | 76,905.92 |
| E.700.132.22M.1B | 851.76 | 587.38 | 73.03 | 65.10 | 128.34 | 777.88 | 18.00 | M22 | 631.83 | 24.00 | M22 | 4,59,277.20 | SD | 838.20 | 3.00 | 99.00 | 76,905.92 |
| E.763.132.31M.1B | 910.34 | 609.60 | 88.90 | 76.20 | 180.49 | 831.85 | 24.00 | M20 | 679.45 | 30.00 | 20.65 | 4,61,040.00 | FS | 894.08 | 2.50 | 88.00 | 81,812.06 |
| E.820.132.11M.1B | 970.31 | 704.85 | 73.03 | 65.10 | 147.39 | 895.35 | 24.00 | 23.83 | 749.30 | 28.00 | 23.83 | 6,00,979.20 | SD | 956.74 | 3.00 | 113.00 | 77,350.72 |
| E.820.132.22M.1B | 970.31 | 704.85 | 73.03 | 65.10 | 147.39 | 895.35 | 24.00 | M22 | 749.30 | 28.00 | M22 | 6,00,979.20 | SD | 956.74 | 3.00 | 113.00 | 77,350.72 |
| E.915.132.31M.1B | 1,062.74 | 762.00 | 88.90 | 76.20 | 218.13 | 984.25 | 28.00 | M20 | 831.85 | 32.00 | 20.65 | 5,36,569.20 | FS | 1,046.48 | 2.50 | 103.00 | 82,768.38 |
| E.1068.132.31M.1B | 1,215.14 | 914.40 | 88.90 | 76.20 | 254.87 | 1,136.65 | 32.00 | M20 | 984.25 | 36.00 | 20.65 | 6,19,692.00 | FS | 1,198.88 | 2.50 | 118.00 | 83,497.86 |
| E.1220.132.31M.1B | 1,367.54 | 1,066.80 | 88.90 | 76.20 | 299.31 | 1,289.05 | 36.00 | M20 | 1,136.65 | 40.00 | 20.65 | 7,02,272.40 | FS | 1,351.28 | 2.50 | 133.00 | 84,071.65 |
| E.1372.132.31M.1B | 1,519.94 | 1,219.20 | 88.90 | 76.20 | 336.50 | 1,441.45 | 40.00 | M20 | 1,289.05 | 44.00 | 20.65 | 7,84,310.40 | FS | 1,503.68 | 2.50 | 148.00 | 84,534.24 |
| E.1525.132.31M.1B | 1,672.34 | 1,371.60 | 88.90 | 76.20 | 362.80 | 1,593.85 | 44.00 | M20 | 1,441.45 | 48.00 | 20.65 | 8,66,212.80 | FS | 1,656.08 | 2.50 | 163.00 | 84,912.32 |
| E.875.138.11M.1D | 1,062.99 | 730.25 | 82.55 | 73.15 | 222.67 | 965.20 | 20.00 | 27.00 | 787.40 | 24.00 | 27.00 | 7,97,328.00 | SD | 1,046.48 | 2.50 | 103.00 | 94,697.92 |
| E.875.138.22M.1D | 1,062.99 | 730.25 | 82.55 | 73.15 | 222.67 | 965.20 | 20.00 | M28 | 787.40 | 24.00 | M28 | 7,97,328.00 | SD | 1,046.48 | 2.50 | 103.00 | 94,697.92 |
| E.1015.145.11M.1B | 1,205.08 | 869.95 | 107.95 | 98.43 | 349.65 | 1,114.43 | 24.00 | 30.18 | 920.75 | 28.00 | 30.18 | 11,84,872.80 | SD | 1,188.72 | 2.50 | 117.00 | 1,40,645.76 |
| E.1015.145.22M.1B | 1,205.08 | 869.95 | 107.95 | 98.43 | 349.65 | 1,114.43 | 24.00 | M30 | 920.75 | 28.00 | M30 | 11,84,872.80 | SD | 1,188.72 | 2.50 | 117.00 | 1,40,645.76 |